Produktbeskrivning
Kanal-V 560-1480EC
KANAL-Vertikal är en fläkt avsedd för kanalanslutning av ut- och/eller inlopp. KANAL-Vertikal kan monteras ovanpå en suglåda eller fristående på golv t ex inne i en suglåda. Skall KANAL-Vertikal monteras på en suglåda ska underlaget vara jämnt och plant, ska den monteras på ett golv ska den vara beställd med justerbara fötter. Då fläktmodulen i KANAL-Vertikal har ett stativ med vibrationsdämpare skall kanalerna på in- och/eller utlopp anslutas stumt. Kanal-Vertikal kan beställas med valfritt in-och utlopp, gejdanslutning, runt, galler eller utan. Fläkten är isolerad med 50 mm mineralull och hela insidan är plåtinklädd. Inloppet är alltid nedåt. Utloppet är i standardutförande riktat uppåt men fläkten kan fås med utlopp på någon av sidorna.Specifikation
| Specifikation | |
| Spänning | 3~380-480 VAC |
| Frekvens | 50/60 Hz |
| Märkström | 4,6 A |
| Effekt | 3,0 kW |
| Varvtal | 1480 rpm |
| K-faktor inloppskona | 101,5 l/s |
| Temperaturområde | -25-+40°C |
| Motor | EC-motor med inbyggt motorskydd |
| Kapslingsklass | IP54 |
| Material - fläkthjul | Aluminium |
| Material - hölje | Aluzinkbehandlad stålplåt |
| Monteringsläge | Vertikal axel |
| Vikt | 95 kg |
Diagram
Ritning
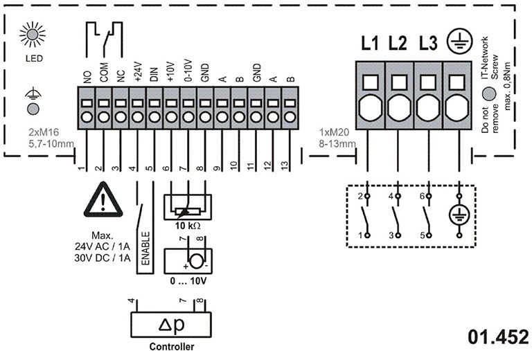
Kopplingsschema
Dokumentation
För att kunna läsa och skriva ut PDF filer behöver du Acrobat Reader. Du kan ladda ner programmet kostnadsfritt nedan.
